提交
400-003-6363
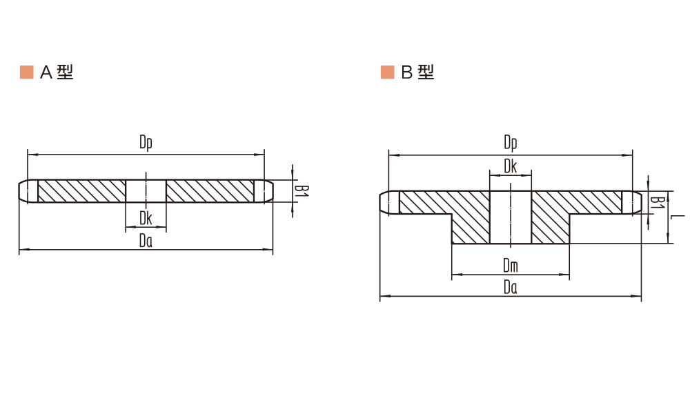
产品参数
产品参数
齿数 节圆径 齿顶圆 A型孔径 B型凸台 B型孔径 B型总厚度
Z Dp Da Dk dm Dk L
/ mm mm mm mm mm mm
7 21.96 24.90 6.00 15.00 6.00 22.00
40 121.41 126.20 12.00 70.00 16.00 30.00
125 379.03 384.10 20.00 75.00 20.00 30.00
*具体参数及更多型号请联系