首页
关于征和
产品中心
应用领域
新闻中心
投资者关系
电子样本
联系我们
|
English
English
名字:
电话:
邮箱:
意向产品:
提交
400-003-6363
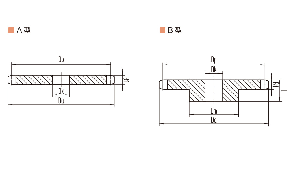
产品参数
产品参数
齿数
节圆径
齿顶圆
A型孔径
B型凸台
B型孔径
B型总厚度
Z
Dp
Da
Dk
dm
Dk
L
/
mm
mm
mm
mm
mm
mm
7
21.96
24.90
6.00
15.00
6.00
22.00
…
…
…
…
…
…
…
40
121.41
126.20
12.00
70.00
16.00
30.00
…
…
…
…
…
…
…
125
379.03
384.10
20.00
75.00
20.00
30.00
*具体参数及更多型号请联系