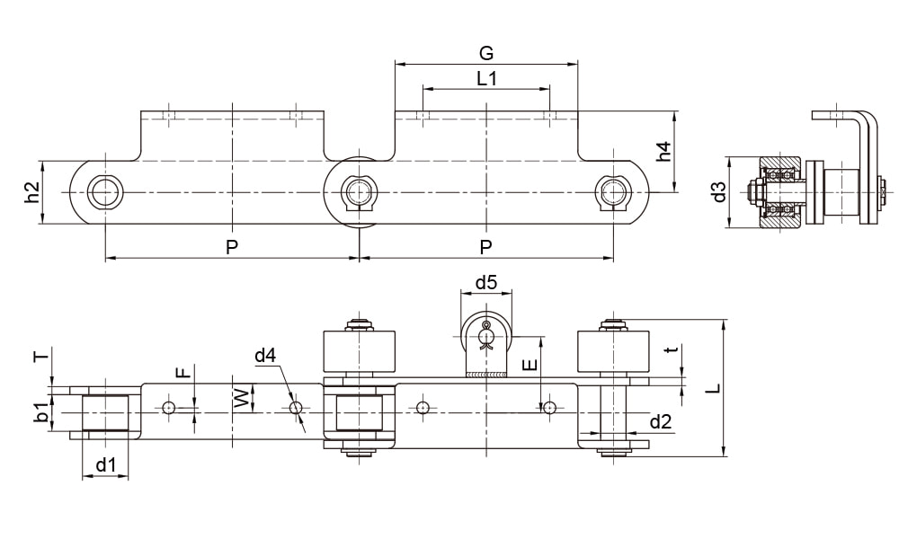
| 链号 | 节距 | 滚子直径 | 滚子直径 | 销轴直径 | 销轴长度 | 链板高度 | 附板尺寸 | 抗拉强度 |
| P | d1 | d3 | d2 | L | h2 | G | Q | |
| mm | mm | mm | mm | mm | mm | mm | kN | |
| QCP250A2SRV1 | 250.00 | 45.00 | 70.00 | 25.00 | 135.00 | 62.00 | 180.00 | 224.00 |
| QCP250A2SRV2 | 250.00 | 43.00 | 65.00 | 21.00 | 135.00 | 60.00 | 190.00 | 224.00 |
| QCP250A2SRV3 | 250.00 | 50.00 | 80.00 | 25.00 | 153.00 | 72.00 | 180.00 | 224.00 |