首页
关于征和
产品中心
应用领域
新闻中心
投资者关系
电子样本
联系我们
|
English
English
名字:
电话:
邮箱:
意向产品:
提交
400-003-6363
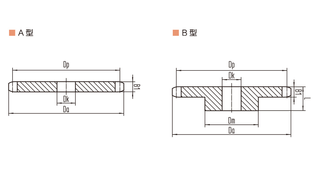
产品参数
产品参数
齿数
节圆径
齿顶圆
A型孔径
B型凸台
B型孔径
B型总厚度
Z
Dp
Da
Dk
dm
Dk
L
/
mm
mm
mm
mm
mm
mm
9
0.74
0.84
/
0.44
0.25
0.50
…
…
…
…
…
…
…
42
3.35
3.49
0.50
2.00
0.50
0.75
…
…
…
…
…
…
…
72
5.74
5.88
0.50
2.00
0.50
0.75
*具体参数及更多型号请联系