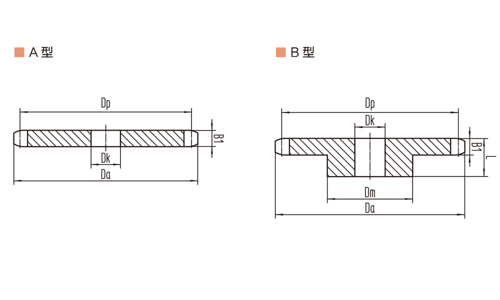
产品参数
产品参数
| 实际齿数 |
有效齿数 |
节圆径 |
齿顶圆 |
A型孔径 |
B型凸台 |
B型孔径 |
B型总厚度 |
| Z |
Z' |
Dp |
Da |
Dk |
dm |
Dk |
L |
| / |
/ |
mm |
mm |
mm |
mm |
mm |
mm |
| 11 |
5.5 |
46.98 |
50.90 |
/ |
35.00 |
12.00 |
25.00 |
| … |
… |
… |
… |
… |
… |
… |
… |
| 20 |
10 |
82.20 |
87.80 |
/ |
64.00 |
14.00 |
28.00 |
| … |
… |
… |
… |
… |
… |
… |
… |
| 30 |
15 |
243.00 |
256.90 |
16.00 |
120.00 |
19.00 |
30.00 |
*具体参数及更多型号请联系